caelg10t.gif (9594 bytes)

CD12V ALL VACUUM TUBE REFERENCE DIGITAL PROCESSOR
  • Our Exclusive TriFET Gain Blocks Provide 40db (100 X) Linearity Improvement Over Conventional Designs
  • Proprietary PLL Circuit Provides Ultra Low Jitter Performance (external jitter processor not needed)
  • Independent Hi Speed / Lo Z Servo Regulators Support Every Analog Stage on Both Channels
  • Hi Speed / Lo Z Servo Regulators to Support the 3 DAC Power Supply Lines
  • Instrumentation Style STAR Grounding with Separate Signal, Power & Digital Grounds
  • Individual Digital, HV, Analog Transformers & Power Supplies
  • Totally Discrete Vacuum Tube Design from DAC to Output (No IC's in the signal path)
  • Low Output Impedance Allows Direct Connection to Power Amplifier (Ideal with Our Passive Preamp)
  • Highest Quality Audiophile Grade Components Utilized
specifications schematic pricing
Our CD12V tube digital processor uses the same Ultra-Linear circuit topology as our reference Daniel II preamplifier to deliver the most realistic reproduction of CD's and DAT's. It has the ability to draw the listener into the performance. Customers continue to call us to report that in head to head comparison with other processors the CD12V provides unprecedented levels of clarity, dynamics, and just plain "you are there" realism. Everybody is thrilled with it holographic imaging - I think it is its greatest technical merit.

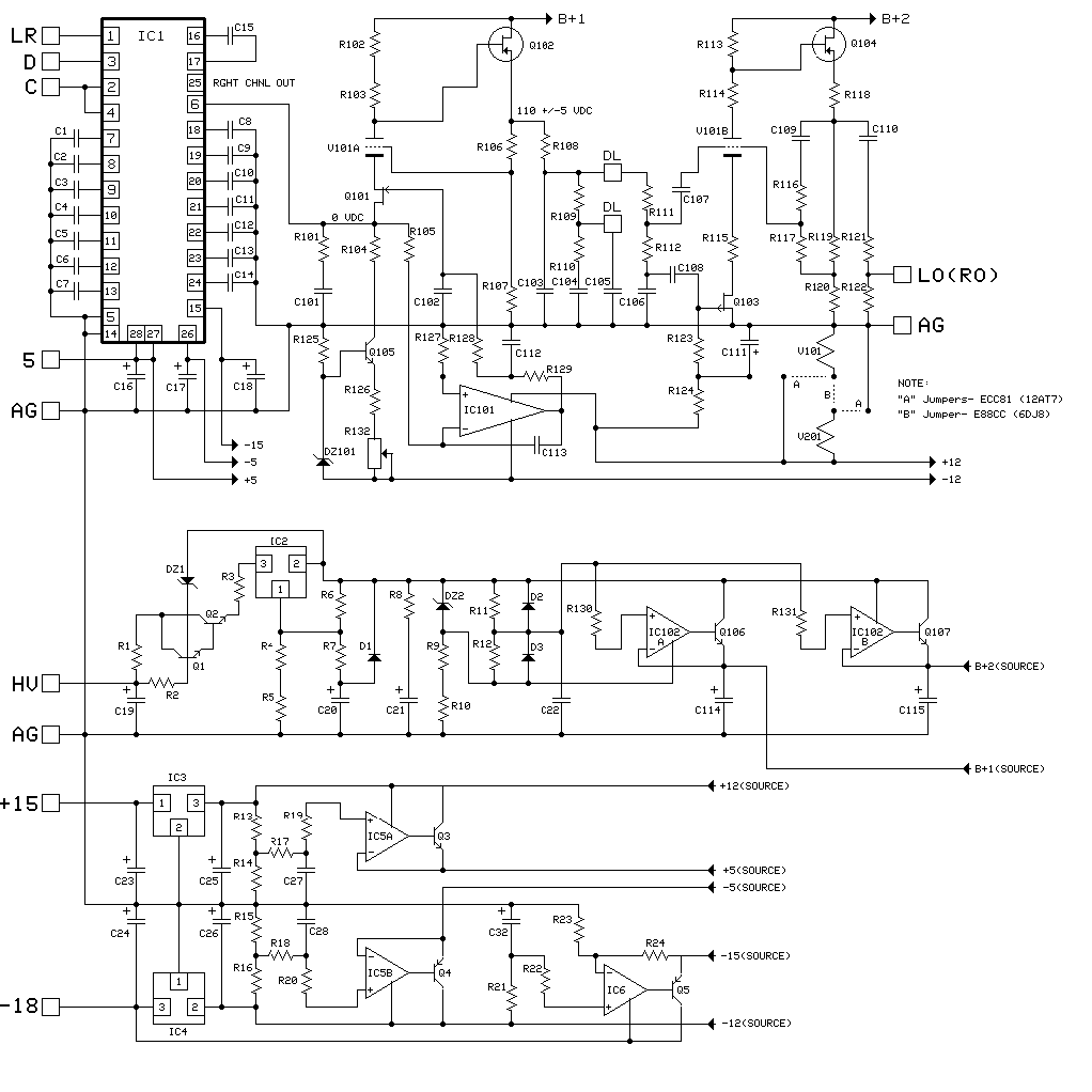
The CD12V processes all analog signals on its own printed circuit module while digital signal processing is confined to a separate printed circuit module - this insures the complete preservation of the audio signal. Each of these modules contain localized regulation to both isolate each section from the other and insure the lowest possible power supply impedance. In the Digital Module our proprietary PLL circuit interfaces with the Digital filter to reduce jitter to levels below audibility. The perfectly timed digital signals are then passed to the Analog Module where conversion to analog is immediate via the well respected Philips TDA1541 DAC. Three high speed low "Z" servo regulators and audiophile quality polypropylene capacitors support the DAC. (When operated in this manner, the TDA1541 attains unparalleled audible performance). DAC output is connected directly to the cathode of our proprietary Current to Voltage converter - a configuration that we have selected above others to deliver the most dynamic and image perfect transition from the TDA1541. Finally we deploy an "anode follower" in unity gain configuration for filter and buffer duty. Both sections are supported by our proprietary high speed, wide bandwidth, low impedance servo regulators located within 1" of the audio circuitry. Filaments are also regulated to eliminate all noise and hum and extend tube life.

One note regarding the Philips Chip Set: We have steadfastly remained with the TDA1541 DAC over the years despite "industry gurus" that embraced the "DAC of the day". In our tests, they all sounded hard or dimensionally flat by comparison. We are humored today by the reemergence in popularity of the TDA1541 as the most musical DAC available - we knew it all along.

The CD12V is available in blank board set, full kit (blank board set with all components) or fully assembled and tested board set. For those purchasing the blank board set, we have available the CD12V Semi-Pac that contains all of the semiconductors specified for the project. Standard and premium (high grade regulator op-amps) Semi-Pacs are available.

ORDERING INFORMATION

Blank PC Board Set : P/N PWB-CD12V = $225

Board Set Kit (Board & Components): P/N KIT-CD12V = $1250

Assembled /Tested PC Board Set : P/N ASM-CD12V = $1600

Semi-Pac Standard : P/N SEMI-CD12V = $500

Semi-Pac Premium : P/N PSEMI-CD12V = $575

Main Enclosure (Generic) - P/N ENC-CD12V = $200

copyright Curcio Audio 2008