caelg10t.gif (9594 bytes)

DYNACO-MARK 2/3 POWER AMPLIFIER

DRIVER AMPLIFIER & QUAD CAPACITOR UPGRADE MODULES

Many of you have requested that we develop modules to upgrade the existing Dynaco design (as opposed to our complete modification package). You also requested a simple and reliable power supply module. We thank you for your suggestion and in response we are very pleased to announce two new modules for the Mark-3: our PWB-1U driver stage (replaces the 6AN8 board) upgrade module and our PWB-M3U "Quad" capacitor replacement modules.

CAE PWB-1U DRIVER STAGE

PWB-1U Driver Amplifier

Schematic Diagram

  • All Triode Full Direct Coupled  Circuit Design Provides Ultra High Stability and Highest Sonic Purity
  • Accepts 6922, 6N1P, 7308, 6DJ8, or 6CG7
  • Instrumentation Style "STAR" Grounding Assures Signal Purity and Freedom from Hum & Noise
  • High Input Impedance is Ideal Match for Passive Preamps
  • Extremely Easy to Install - Exact Size "Drop In" & Original Terminal Labels
  • Can be Operated With or Without Feedback
  • Optional AC Balance for perfect phase inversion
  • Optional DC Bias Balance to match Output Tube Parameters
  • Optional Polypropylene Capacitors

 The original Dynaco 6AN8 design we believe was inferior to the 7199 driver used in the Stereo 70. Therefore applying the same circuit that we developed for the Stereo 70 to the Mark 3 resulted in a dramatic improvement over the stock amplifier topology. This design coupled with the robust and high quality output transformers in the Mark 3 produced a truly stunning amplifier - both balanced and delicate yet powerful. The spectral balance is perfectly neutral and the imaging has the depth and focus of the best amplifiers. The circuit is identical to our upgrade circuit for the ST-70 (cascode gain stage direct coupled to the split load phase inverter) with higher current capacity in the phase splitter to drive the 6550's or KT-88 output tubes. Like the ST-70, it retains its musicality with both standard as well as premium audiophile components (although the benefits of the latter are evident). We included a few optional features that many of you requested as well including a DC Balance potentiometer (to balance the DC bias in the output tubes) and an AC Balance potentiometer to perfectly balance the phase inverter stage. Installation is perfectly straightforward since the board is exactly the same size as the original including the exact labeling of the connectors. You simply de-solder the connections from the original board, drop in the upgrade board, and reconnect the wires to the same pads. So, within an hour you will be enjoying your Mark 3 like never before. Download our comprehensive installation manual to see for yourself just how easy it is. You may purchase the board blank or fully assembled & tested. You may also purchase the board and parts as a kit.

Blank Board Pair (PWB-1U) = $80

Blank Board Pair w/Parts (KIT-1U) = $122

Assembled Board Pair (ASM-1U) = $150

Driver Tube Option, 4 Premium 6922 Dual Triodes (OPT-V-4) = $64

DC Bal Adjust Option per Pair (OPT-DCB-1U) = Add $24

AC Balance Option per Pair (OPT-ACB-1U) = Add $24

Polypropylene Capacitor Option per Pair (OPT-PPC-1U) = Add $27

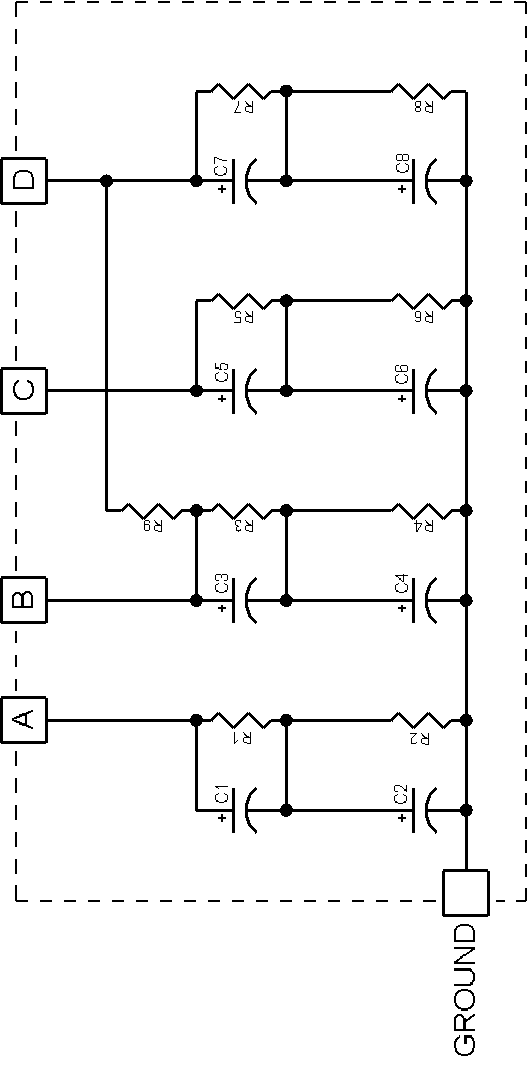
PWB-M3U "QUAD" CAP MODULE

PWB-M3U QUAD Cap Supply

Schematic Diagram

  • Increases Both the Capacitance and Voltage Rating (to 600 VDC)
  • High Reliability Capacitors used with Resistive Dividers to Protect Capacitors
  • Includes Original Filter Power Resistors
  • Can be Configured for Either Tube or Solid State Rectifiers
  • Extremely Easy to Install - Mounts in Existing Holes & Uses Original Terminal Labels

One of the most frequent failures in the Dynaco Mark 3 is the original "Quad" electrolytic capacitor. Worse, direct replacements are both expensive and offer no improvement in reliability. To address this problem, we have designed a replacement module that contains a composite of high quality capacitors and will easily mount in the area between the original capacitor and the rectifier tube (we didn't forget access to the bias adjustments). We now also offer a below chassis version as well - and with the extra space, it includes a new bias supply and solid state rectification option. Our S7U-B-M3 module utilizes high quality - high reliability radial capacitors that will provide many years of service. The composite capacitor array increases the original capacitance (30,20, 20, 20 to 50, 50, 50, 50) and raises the voltage rating (500VDC to 600VDC). The original filter resistors are included. It supports either Tube or Solid State rectification. Installation is very easy since it mounts in existing chassis holes (no drilling or cutting) - you simply mount, connect, and go. Our comprehensive documentation makes it easy - you can download it here to see for yourself.. We will be offering the board blank or as a kit with all parts. You may also purchase the boards fully assembled & tested.

Below Chassis Version (Quad Cap Replacement w/ Bias Supply & SS Rectification Option)

  • Blank Board Pair (PWB-S7U-B-M3) = $58
  • Blank Board w/ Parts Pair (KIT-S7U-B-M3) = $130
  • Assembled Board Pair (ASM-S7U-B-M3) = $196

copyright Curcio Audio 2008