caelg10t.gif (9594 bytes)

CAE-MQ-100 REFERENCE 100WPC MONO-BLOCK VACUUM TUBE POWER AMPLIFIER

mqmbbk.jpg (12218 bytes)

  • CAE's Most Advanced Circuitry & Proprietary Magnequest Transformers
  • Proprietary Constant Current Cascode Differential Amplifier (CCDA) Driver Circuit
  • Choke Input Power Supply Plus Hi Speed / Lo Output Impedance Active Driver & Screen Grid Regulators Power Supply Lines
  • Fully Direct Coupled Driver Circuit Design Provides Ultra High Stability and Highest Sonic Purity
  • Instrumentation Style STAR Grounding with Separate Signal and Power Grounds
  • Regulators Provide Conservative & Stable Operation to Insure High Reliability and Long Tube Life
  • Highest Quality Audiophile Grade Components Utilized

specifications

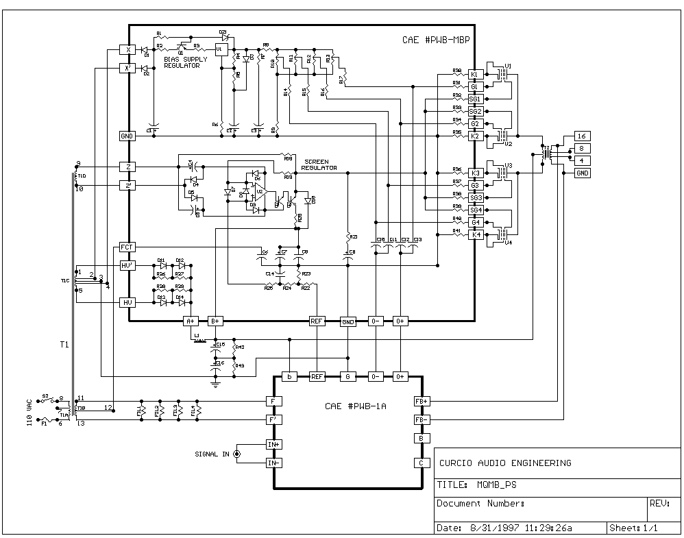
schematic

pricing

For years we have offered (and will continue to offer) world class power amplifiers based upon the outstanding transformers found in Dynaco ST-70 and MK-3 power amplifiers. Using our constant current cascade driver circuitry they have attained the recognition as equal or better than the best available.

As good as the Dynaco transformers are (easily equaling the performance of the most prestigious tube amplifiers available), we knew that they were not perfect. Driven by this constant need to improve, we began a quest to identify a completely transparent transformer. Unfortunately, after an exhaustive audible evaluation of all currently available transformers, we were forced to conclude that in one way or another, a critical flaw would surface to disqualify each contender. We then asked Mike LaFever of Magnequest, to work with us to co-develop a transformer to our specifications. Working with Mike and his unparalleled knowledge and skills, we developed the most neutral transformer we have ever heard. It simply disappears equaling the performance of OTL but without the complexity and power requirement disadvantages of OTL topologies. By comparison, other transformers sound heavy and muffled.

After building the first prototype, it's clarity allowed us to hear something that beforehand went completely unnoticed. Careful scrutiny revealed that high frequency artifacts from the AC mains were penetrating into the audio circuitry. This was true even with our multi level regulator power supply design. Mike worked with us to develop a choke that completely eliminated all forms of AC line induced noise. The result was the removal of another layer of haze that delivers a combination of smoothness and articulation that has to be heard to be appreciated. Dynamics that just seemed to go forever - this couldn't be a 100 Watt amplifier. It's hard to compare the MQ-100 with other amplifiers - it simply redefines a new standard of musicality.

In the lab the amp was a complete surprise - distortion levels so low that we thought there was a problem with our instruments. Square waves that were perfectly square, to full power with absolutely no ringing. Each parameter we measured was outstanding. This is an amp that measures as well as it sounds.

You may purchase the board set for the MQ-100 blank, as a kit (board & parts) or fully assembled. The Magnequest transformer, enclosure/hardware set, and output tube set have been priced individually for those who may wish to use alternate transformers, enclosures, or tube suppliers. Finally, we offer the full kit with all parts necessary to construct the MQ-100's.

For those purchasing the blank board set, we have available the MQ-100 Semi-Pac that contains all of the semiconductors specified for the project. Standard and premium (high grade regulator op-amps) Semi-Pacs are available.

ORDERING INFORMATION (per PAIR)

Blank PC Board Set : P/N PWB-MQ-100 = $350

Semi-Pac Standard : P/N SEMI-MQ-100 = $275

Semi-Pac Premium : P/N PSEMI-MQ-100 = $425

Kit, PC Board Set: P/N KIT-MQ-100 = $1150

Assembled PC Board Set : P/N ASM-MQ-100 = $1500

CAE-Magnequest Transformer Set (adder): P/N XFMR-MQ-100 = + $1625

Output Tube Set (adder): P/N OTS-MQ-100 = + $300

Full Kit (Assembled Board Set, MQ Transformers, Tubes, Hardware - Does Not Include Chassis): P/N FKIT-MQ-100 = $3800

copyright Curcio Audio 2008