|
DYNACO PAS-2 & 3 PREAMPLIFIER
PHONO AMPLIFIER, LINE AMPLIFIER, AND POWER SUPPLY MODULES
|
|
Here's our promise: Our PAS modules will transform your PAS to a level of performance comparable to the best preamps available. Using the economic leverage of the "Upgrade" it will give you this level of performance for 1/8 the price of commercial units. The Secret : We have packaged our advanced and sonically transparent audio technology on PC Boards that "drop into" existing PAS positions (no drilling or outside appendages). Our solid confidence is based upon the continual feedback from our customers who call us excitedly to report that their upgraded PAS easily outperforms head to head comparisons against any $3000 (and more) preamps. It is more musical, dimensionally accurate, and dynamically correct. Plus installation is a snap - our comprehensive documentation will guide you step by step. In just a few hours you will find that your PAS will completely transform your system.
Our "drop in" phono and line amplifier modules replace the original Dynaco phono amplifier board (PC-6) and the original line amplifier board (PC-5) with new exact replacement modules. We deploy both modified traditional and unique proprietary circuit topology. The original mid range performance of the PAS is bettered and extended to both ends of the spectrum. Hum is completely eliminated and the noise floor is completely inaudible allowing you to use any MM and most MC cartridges.
Our power supply module (PC-7) also drops into your PAS sitting horizontally between the line stage and power transformer. It includes two power supplies / regulators - one for the filament and another for the High Voltage (B+). It eliminates the weaknesses in the original PAS power supply including the lack of sufficient current for the filaments and inadequate filtering and decoupling in the original's High Voltage supply. These weaknesses are primarily responsible for the PAS loose bass and low level hum. It provides a low impedance source that extends beyond the audio spectrum - but more importantly is flat across this range. This results in an audibly inert supply that does not contribute any sonic signature of its own. Please review our white paper "Audibility of Power Supplies" where we discuss the critical importance of the power supply.
|
|
|
|
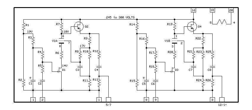
CAE PWB-5AH LINE AMPLIFIER
|
Specifications
|
Schematic Diagram
|
|

-
Triode TriFET Gain Blocks in Line Amplifier Module Provide 28 db(25X) Linearity Improvement Over Conventional Designs
-
Instrumentation Style STAR Grounding with Separate Signal, Power and Filament Grounds
-
Modules "Drop In" All PAS Series Preamps
-
Low Output Impedance (300 Ohms) Allows Long Interconnects From Preamp to Power Amplifier
-
Highest Quality Audiophile Grade Components Utilized
|
| The PWB-5A (unassembled) and ASM-5A (assembled) line amplifier module are electrical and physical "drop ins" for the original Dyna PC-5 line amplifier. It is derived from the Daniel II line amplifier and has all of its big brother's attributes including wide dynamics, holographic imaging and smooth spectral balance. It mates especially well with CD's as a result of its high input overload margin and slew rate. And it provides the PAS with a Low Output Impedance (finally) permitting long runs of interconnect and the use of solid state power amps. It is delivered with a gain of 20db (optional gains are available to 30 db to compliment your specific system requirements). Its size and power demands make it the ideal choice for upgrading many existing designs or as a basic amplifier block in new projects. A low impedance power supply is highly recommended (our PWB-7A will be perfect) for best performance.
The CAE PAS line amplifier module is available blank board, kit (blank board with all components), or fully assembled. Additionally, for those purchasing the board in blank form, we are offering a complete set of the specified semiconductors (we refer to the package as our "Semi-Pac").
ORDERING INFORMATION
Blank PC Board, Line Amplifier : P/N PWB-5AH = $67
Semi-Pac Standard, Line Amplifier: P/N SEMI-5AH = $35
Full Kit (Board & All Components & w/o Tube): P/N KIT-5AH = $225
Assembled PC Board (w/o Tube), Line Amplifier: P/N ASM-5AH = $270
|
|
|
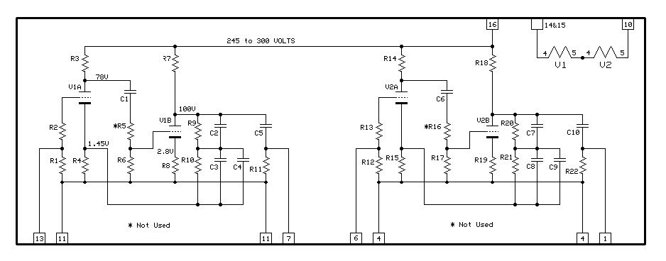
PWB-6 PHONO PREAMPLIFIER
|
Specifications
|
Schematic Diagram
|
|

-
Extremely Easy to Install - Mounts in Existing Holes & Uses Original Terminal Labels
-
Lo Noise (-73 db) / Medium Gain (30 db) Phono Accepts MC Cartridges
-
RIAA Accurate to 0.5db
-
Output Impedance Greatly Reduced Over Original w/o the Negative Artifacts of Cathode Followers
-
Audiophile Quality Polypropylene Capacitors
-
Resistor Composition Selected to Compliment Circuit Position
|
| The PWB-6 (unassembled) and ASM-6 (assembled) phono amplifier modules are exact electrical and physical "drop ins" for the original Dyna PC-6 phono amplifier. It uses two 6922's twin triodes in a cascade - cascade topology with enhancements that result in an extremely low noise floor and high overload margin permitting the use of both MM and MC cartridges. Its linearity and RIAA accuracy are maintained over both frequency and amplitude extremes through computer optimized bias and RIAA calculations and then refined through audition. RIAA equalization, accurate to within 0.05 db, is direct coupled and actively implemented. Its minimalist topology will deliver all the depth, clarity and purity contained on your vinyl recordings. A low impedance power supply is highly recommended (our PWB-7A is suggested) for best performance.
The CAE PAS phono amplifier module is available in blank PC Board, kit (blank board with all components), or fully assembled versions.
ORDERING INFORMATION
Blank PC Board, Line Amplifier : P/N PWB-6A = $67
Full Kit (Board & All Components w/o Tubes)): P/N KIT-6A = $232
Assembled PC Board (w/o Tubes), Line Amplifier: P/N ASM-6A = $280
|
|
|
PWB-7A POWER SUPPLY/ REGULATOR
|
Specifications
|
Schematic Diagram
|
-
Complete New Power Supply Including Regulated High Voltage & Filament Supplies that Eliminates the Major PAS Weakness
-
Eliminates All Hum & Noise with Full Regulation of Both Filaments & High Voltage B+
-
Sonically Inert Hi Speed / Lo Output Impedance High Voltage Regulator Foundation for the Amplifier Stages Resulting in Dramatic Audible Improvement
-
Extremely Easy to Install - Mounts in Existing Holes & Uses Original Terminal Labels
-
Adds Much Needed Fuse to PAS (Saves the Transformers)
|
| Our power supply module (PC-7) includes two power supplies / regulators - one for the tube filaments and another for the High Voltage (B+) lines. Our filament supply begins with a new transformer (the original PAS filament winding is simply inadequate), rectifier, filter and regulator. The regulator retains the correct voltage and current to your filaments (without any sagging or ripple) even should your AC line voltage drop to 90 VAC. Adjacent to our filament supply is a High Voltage rectifier and high speed / low impedance regulator. It completely eliminates all ripple (and therefore all hum) and provides a low impedance foundation to the audio amplifier circuitry without adding any character or voicing of its own. Please review our white paper "Audibility of Power Supplies" where we discuss the critical importance of the power supply. Once installed, your PAS will be dead quite - all hum and noise will be completely eliminated (down to -85 db). An AC line fuse (omitted in the original Dyna circuit) is included. This supply is the ideal first step to any Dyna PAS upgrade.
The CAE Power Supply Module is available in blank board, kit (blank board with all components), or fully assembled versions. Additionally, for those purchasing the board in blank form, we are offering a complete set of the specified semiconductors (we refer to the package as our "Semi-Pac").
ORDERING INFORMATION
Blank PC Board, Power Supply : P/N PWB-7A = $67
Semi-Pac Standard, Power Supply : P/N SEMI-7A = $24
Full Kit (Board & All Components): P/N KIT-7A = $205
Assembled PC Board, Power Supply: P/N ASM-7A = $245
|
|
|
|
|