|
DYNACO-ST70 POWER AMPLIFIER - DRIVER AMPLIFIER & QUAD CAPACITOR UPGRADE MODULES
|
|

|
Many of you have requested that we develop modules to upgrade the existing Dynaco design (as opposed to our complete modification package). You also requested a simple and reliable power supply module. We thank you for your suggestion and in response we are very pleased to announce two new modules for the ST-70: our PWB-3U driver stage (replaces the 7199 board) upgrade module and our PWB-S7U "Quad" capacitor replacement module.
|
|
CAE PWB-3U DRIVER STAGE
|
PWB-3U Driver Amplifier
|
Schematic Diagram
|
|

- All Triode Full Direct Coupled Circuit Design Provides Ultra High Stability and Highest Sonic Purity
- Accepts 6922, 6N1P, 7308, 6DJ8, or 6CG7
- Instrumentation Style "STAR" Grounding Assures Signal Purity and Freedom from Hum & Noise
- High Input Impedance is Ideal Match for Passive Preamps
- Extremely Easy to Install - Exact Size "Drop In" & Original Terminal Labels
- Can be Operated With or Without Feedback
- Optional AC Balance for perfect phase inversion
- Optional DC Bias Balance to match Output Tube Parameters
- Optional Polypropylene Capacitors
|
| Developing a design that would inexpensively replace the original Dynaco 7199 design and improve its performance was difficult. Our goal was to improve the spectral balance and harmonic purity of the original and preserve the musicality. We have retained the purity and balance of the midrange while dramatically improving the two weak points of the original circuit - loose bass and dull high frequencies. We built and listened to many designs including both classic and modern topologies. We compared all to the original and to each other and finally settled on a cascode gain stage direct coupled to a split load phase inverter (as in the original). It is simple and equally important, met our goals and dramatically improved the imaging and spectral extension over the original. Surprisingly it retains its musicality with both standard as well as premium audiophile components (although the benefits of the latter are evident). While we were designing the pc board, we included a few optional features that many of you requested as well including a DC Balance potentiometer (to balance the DC bias in the output tubes) and an AC Balance potentiometer to perfectly balance the phase inverter stage. Installation is perfectly straightforward since the board is exactly the same size as the original including the exact labeling of the connectors. You simply de-solder the connections from the original board, drop in the upgrade board, and reconnect the wires to the same pads. So, within an hour you will be enjoying your ST-70 like never before. Feel free to download our comprehensive instructions to see for yourself just how easy it is. You may purchase the board blank or fully assembled. You may also purchase the board and parts as a kit.
Blank Board (PWB-3U) = $67
Board w/ All Parts (KIT-3U) = $110
Assembled Board (ASM-3U) = $140
Driver Tube Option, 3 Premium 6922 Dual Triodes (OPT-V-3) = $48
DC Bal Adjust Option (OPT-DCB-3U) = Add $12
AC Balance Option (OPT-ACB-3U) = Add $12
Polypropylene Capacitor Option (OPT-PPC-3U) = Add $21
|
|
|
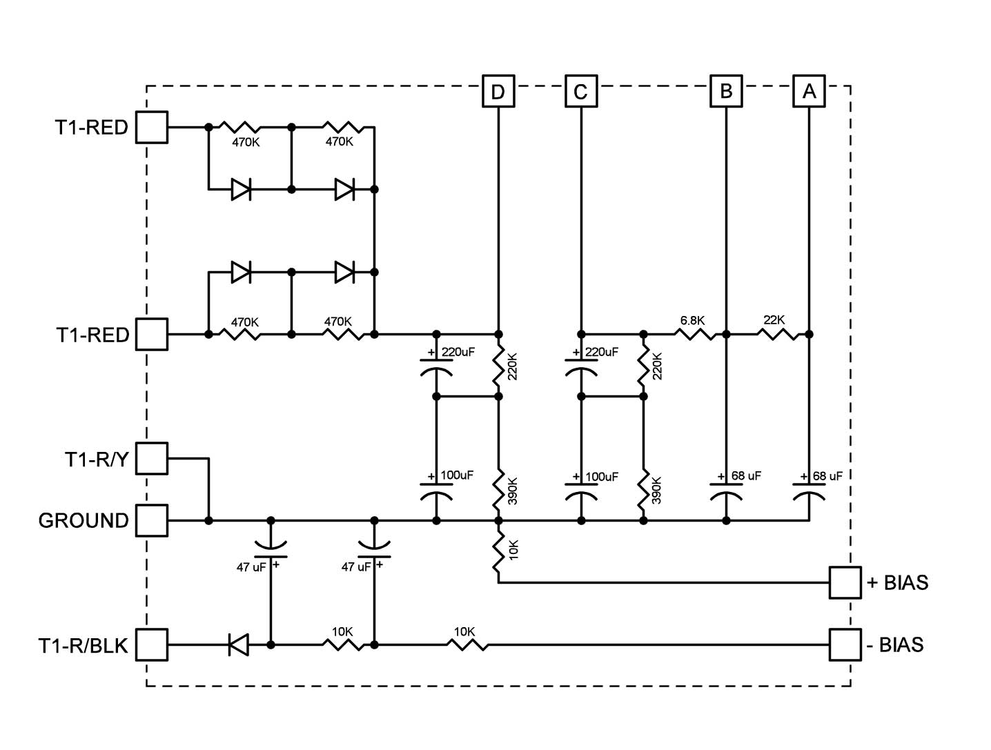
PWB-S7U "QUAD" CAP MODULE
|
PWB-S7U QUAD Cap Supply
|
Schematic Diagram
|
|

- Increases Both the Capacitance and Voltage Rating (to 600 VDC)
- High Reliability Capacitors used with Resistive Dividers to Protect Capacitors
- Includes Complete ST-70 Bias Supply Circuit
- Includes Original Filter Power Resistors
- Can be Configured for Either Tube or Solid State Rectifiers
- Extremely Easy to Install - Mounts in Existing Holes & Uses Original Terminal Labels
|
| One of the most frequent failures in the Dynaco ST-70 is the original "Quad" electrolytic capacitor. Worse, direct replacements are both expensive and offer no improvement in reliability. To address this problem, we have designed a replacement module that contains a composite of high quality capacitors and will easily mount in the area between the original capacitor and the rectifier tube (we didn't forget access to the bias adjustments). Our PWB-S7U module utilizes high quality - high reliability radial capacitors that will provide many years of service. The composite capacitor array increases the original capacitance (30,20, 20, 20 to 68, 68, 68, 68) and raises the voltage rating (500VDC to 600VDC). The original filter resistors are included as well as a complete new bias supply (diode, resistors, and capacitors). it allows for either Tube or Solid State rectification and includes the diodes for the latter choice. Installation is very easy since it mounts in existing holes (no drilling or cutting) - you simply mount, connect, and go. You can download our comprehensive documentation to see how really easy it is. We will be offering the board blank or as a kit with all parts.
Above Chassis Version
- Blank Board (PWB-S7U) = $29
- Blank Board w/ Parts (KIT-S7U) = $65
- Assembled Board (ASM-S7U) = $98
Below Chassis Version
- Blank Board (PWB-S7U-B) = $29
- Blank Board w/ Parts (KIT-S7U-B) = $65
- Assembled Board (ASM-S7U-B) = $98
|
|
|
|
|